Benutzer-Werkzeuge

    ~~ RM: keiner ~~ UI: ---start--- ~~ IP:216.73.216.176~~

Webseiten-Werkzeuge


Dies ist eine alte Version des Dokuments!


10%

Video-Hybrid (Vidiot)

Baustelle

FIXME (Übersetzer gesucht)
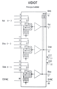
The Vidiot is a hybrid integrated circuit that works as digital-to-analog converter for the Amiga's 12 bit video to analogue RGB output. It also generates a monochrome composite video signal and combined sync. The A3000 uses one Vidiot each for 15 kHz video and for 31 kHz (Amber) output.

Not made by CSG. Outsourced to hybrid makers like Analog Devices. 12-bit hybrid monitor driver interfaced with Denise Found in the A300, A500, A500+, A600, A1000, A2000 and A3000.

Commodore-Nr. C= Bezeichnung C= Info Editors Info
390229-01XXX IC VIDEO HYBRID *=390229-03 AMIGA-2000 A3000
390229-03IC VIDEO HYBRIDAMIGA-500/500+/2000

Pinbelegung / Pinout

  • weitere Details siehe Datenblatt von Commodore


amigawiki.de

Downloads / Links

Zuletzt geändert: 2024/09/21 23:32