Benutzer-Werkzeuge

    ~~ RM: keiner ~~ UI: ---start--- ~~ IP:216.73.216.176~~

Webseiten-Werkzeuge


Video-Hybrid (Vidiot)

Video-Hybrid -01

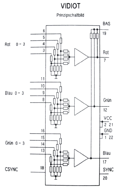
Der Videohybrid, intern bei Commodore „VIDIOT“ genannt, ist ein hybrider, integrierter Schaltkreis, der als Digital-Analog-Konverter (DAC) das digitale 12-bittige Videosignal des Amigas in analoge RGB-Signale wandelt, sowie das Composite-Sync (CSync) Signal verstärkt. Außerdem wird durch eine einfache Schaltung ein monochromes Composite-Signal generiert. Er findet Verwendung in den Amiga-Modellen A500, A500+, A600, A1000, A2000 and A3000.

Im Amiga 3000 kommen zwei Vidiots zum Einsatz, einmal für den 15kHz Videoausgang von Denise und für den 31kHz Videoausgang von Amber.

Video-Hybrid -01

Der Videohybrid wurde nicht von CSG hergestellt, sondern von Drittherstellern wie Analog Devices.

Baustelle

Funktionsweise

Die drei DAC-Stufen für Rot, Grün und Blau sind jeweils identisch. Es handelt sich um eine einfache Widerstandsleiter, bei der sich die Werte von Bit zu Bit verdoppeln. Im Videohybriden des Amigas sind es 1kOhm, 2kOhm, 4kOhm und 8kOhm. In heutigen Designs werden häufig andere Werte verwendet, die den E24-Teilern entsprechen. Diese sind besser erhältlich. Nach dem DAC wird mithilfe eines Spannungsteilers der Pegel des Signals angepasst und mit einem NPN-Transistor verstärkt. Am Ausgang wird das Signal, wie es für Videoanwendungen typisch ist, mit 75 Ohm terminiert.

Der Verstärker für das CSync-Signal besitzt keinen DAC, da das Synchronisationssignal digital ist.

Die Composite-Stufe ist etwas komplexer. Zuerst werden die analogen RGB-Signale mit einer DAC-ähnlichen Schaltung gemischt und wieder durch einen Spannungsteiler im Pegel angepasst. Nachfolgend ist ein Verstärker aus einem NPN- und einem PNP-Transistor, um eine höhere Verstärkung zu erreichen (???) und wieder eine 75 Ohm Terminierung.

Pinbelegung / Pinout

  • weitere Details siehe Datenblatt von Commodore


im Amiga

TypCommodore-Nr. C= Bezeichnung C= InfoForm Editors Info
A 390229-01XXX IC VIDEO HYBRID *=390229-03 AMIGA-2000 A3000
B 390229-02IC VIDEO HYBRIDAMIGA-?? FIXME
C 390229-03IC VIDEO HYBRIDAMIGA-500/500+/2000
VorkommenAnzahlTypPosition Bemerkung
A500 1 ? HY1,-
A500+ 1 ? HY1,-
A2000 R4 1 ? HY200,-
A2000 R6 1 C HY200,-
A 1 ? HY ?,-


Revisionshinweise

Revision 01

Initiale Version des Videohybriden. Hautsächlich für 15kHz Anwendungen geeignet.

Revision 02

Vidiot Rev.2A

FIXME Sehr seltene(?) Revision. Es fehlt der CSync-Ausgang, aber der Composite-Ausgang ist vorhanden. Bisher ist unbekannt, wofür diese Revision verwendet werden sollte.

Revision 03

Diese Revision besitzt höhere Widerstandswerte für den Composite-Mischer als Revision 01 und 02. Vermutlich wurde dies gemacht, um ein Übersprechen der RGB-Kanäle (vor allem bei 31kHz) zu unterdrücken. Es sind allerdings sowohl Revision 01 als auch 03 in Amber-Anwendungen zu finden…


www.amigawiki.org

Downloads / Links

Zuletzt geändert: 2024/09/22 00:26